Phương pháp bù tối ưu để tiết kiệm chi phí hoạt động

Tính toán thiết kế tụ bù đơn giản và phương pháp bù tối ưu để tiết kiệm chi phí hoạt động
Xem ngay:bảng giá tụ bù nuintektụ bù samwha 

Phương pháp bù tối ưu để tiết kiệm chi phí hoạt động

THEO TIÊU CHUẨN QUỐC TẾ (IEC)

1. Phương Pháp Tính Đơn Giản:
(để chọn tụ bù cho một tải nào đó thì ta cần biết công suất(P) của tải đó và hệ số công suất (Cos φ) của tải đó):
Giả sử ta có công suất của tải là P
Hệ số công suất của tải là Cos 1 φ → tg φ 1 ( trước khi bù )
Hệ số công suất sau khi bù là Cos φ2 → tg φ2.
Công suất phản kháng cần bù là QC = P (tg φ1 – tg φ2 ).
Từ công suất cần bù ta chọn tụ bù cho phù hợp trong bảng catalog của nhà cung cấp tụ bù.
Để dễ hiểu ta sẽ cho ví dụ minh hoạ như sau:
Giả sử ta có công suất tải là P = 270 (KW).
Hệ số công suất trước khi bù là cos 1 = 0.75 → tg φ 1 = 0.88
Hệ số công suất sau khi bù là Cos 2 = 0.95 φ → tg φ 2 = 0.33
Vậy công suất phản kháng cần bù là Qbù = P ( tg φ1 – tg φ2 )
Qbù = 270( 0.88 – 0.33 ) = 148.5 (KVAr)
Từ số liệu này ta chọn tụ bù trong bảng catalog của nhà sản xuất giả sử là ta có tụ 25KVAr. Để bù
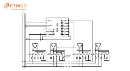
đủ cho tải thì ta cần bù 6 tụ 25 KVAr tổng công suất phản kháng là 6×25=150(KVAr) với 6 tụ bù này ta chọn bộ điều khiển 6 cấp như sơ đồ hình vẽ:

2. Phương Pháp Bù Tối Ưu Dựa Vào Điều Kiện Không Đóng Tiền Phạt:
– Xét hoá đơn tiền điện liên quan đến dung lượng kVArh đã tiêu thụ và ghi nhận số kVArh phải trả tiền sau đó, chọn hoá đơn tiền giá kVArh cao nhất phải trả (không xét đến trường hợp ngoại lệ).
Ví dụ: 15965 kVArh trong tháng giêng
-Tính tổng thời gian hoạt động trong tháng đó ví dụ : 220h số giờ xét để tính là những giờ
mà hệ thống điện chịu tải lớn nhất và tải đạt giá trị đỉnh cao nhất. ngoài thời gian kể trên việc tiêu thụ công suất phản kháng là miễn phí.
Giá trị công suất cần bù:
[kVAr] = = Qbù . kVAr : số kVAr phải trả tiền.
T : số giờ hoạt động
– Dung lượng bù thường được chọn cao hơn giá trị tính toán một chút.
– Một số hãng cung cấp qui tắc thước loga thiết kế đặt biệt cho việc tính toán này theo các khung giá riêng. Công cụ trên và các dữ liệu kèm theo giúp ta chọn lựa thiết bị bù và sơ đồ điều khiển thích hợp, đồng thời ràng buộc của các sóng hài điện áp trong hệ thống điện . các sóng hài này đòi hỏi sử dụng định mức tụ dư ( liên quan đến giải nhiệt, định mức áp và dòng điện ) và các cuộn kháng hoặc mạch để lọc sóng hài.

Tại sao cần cải thiện hệ số công suất :

1. Giảm giá thành tiền điện:
– Mặc dù được lợi về giảm bớt tiền điện, người sử dụng cần cân nhắc đến yếu tố phí tổn do mua sắm, lắp đặt bảo trì các tụ điện để cải thiện hệ số công suất.
– Trong giai đoạn sủ dụng điện có giới hạn theo qui định. Việc tiêu thụ năng lượng phản kháng vượt quá 40% năng lượng tác dụng (tg > 0,4: φ đây là giá trị thoã thuận với công ty cung cấp điện) thì người sử dụng năng lượng phản kháng phải trả tiền hàng tháng theo giá hiện hành.
– Nâng cao hệ số công suất đem lại những ưu điểm về kỹ thuật và kinh tế, nhất là giảm tiền điện.
– Do đó, tổng năng lượng phản kháng được tính tiền cho thời gian sử dụng sẽ là:
kVAr ( phải trả tiền ) = KWh ( tg – 0,4) φ

2. Tối ưu hoá kinh tế ­ kỹ thuật
– Cải thiện hệ số công suất cho phép người sử dụng máy biến áp, thiết bị đóng cắt và cáp nhỏ
hơn V.V…đồng thời giảm tổn thất điện năng và sụt áp trong mạng điện.
Hệ số công suất cao cho phép tối ưu hoá các phần tử cung cấp điện. Khi ấy các thiết bị điện không cần
định mức dư thừa. Tuy nhiên để đạt được kết quả tốt nhất, cần đặt tụ cạnh cạnh từng phần tử của thiết bị tiêu thụ công suất phản kháng.
– Cải thiện hệ số công suất
+ Tải mang tính cảm có hệ số công suất thấp sẽ nhận thành phần dòng điện phản kháng từ máy phát đưa đến qua hệ thống truyền tải phân phối. Do đó kéo theo tốn thất công suất và hiện tượng sụt áp.
+ Đặc biệt ta nên tránh định mức động cơ quá lớn cũng như chế độ chạy không tải của động cơ. Lúc này hệ số công suất của động cơ rất nhỏ (0,17) do lượng công suất tác dụng tiêu thụ ở chế độ không tải rất nhỏ.
+ Để cải thiện hệ số công suất của mạng điện, cần một bộ tụ điện làm nguồn phát công
suất phản kháng. Cách giải quyết này được gọi là bù công suất phản kháng.
+ Khi mắc các tụ song song với tải, dòng điện có tính dung của tụ sẽ có cùng đường đi như thành phần cảm kháng của dòng tải. vì vậy hai dòng điện này sẽ triệt tiêu lẫn nhau IC = IL. Như vậy không còn tồn tại dòng phản kháng qua phần lưới phía trước vị trí đặt tụ.

Các thiết bị bù công suất

Bù trên lưới điện áp
Trong mạng lưới hạ áp, bù công suất được thực hiện bằng :
– Thiết bị điều chỉnh bù tự động hoặc một bộ tụ cho phép điều chỉnh liên tục theo yêu cầu khi tải thay đổi.
– Tụ điện với lượng bù cố định (bù nền).
Chú ý : khi công suất phản kháng cần bù vượt quá 800KVAr và tải có tính liên tục và ổn định, việc
lắp đặt bộ tụ ở phía trung áp thường có hiệu quả kinh tế tốt hơn.
Bộ điều khiển tụ bù tự động ( bù ứng động )
– Thiết bị này cho phép điều khiển bù công suất một cách tự động, giữ hệ số công suất trong một giới hạn cho phép chung quanh giá trị hệ số công suất được chọn.
– Bù công suất thường được hiện bằng các phương tiện điều khiển đóng ngắt từng bộ phận công suất.
– Thiết bị này được lắp đặt tại các vị trí mà công suất tác dụng và công suất phản kháng thay đổi trong phạm vi rất rộng. ví dụ: tại thanh góp của tủ phân phối chính, tại đầu nối của các cáp trục chịu tải lớn.
Tụ bù nền
Bố trí bù gồm một hoặc nhiều tụ tạo nên lượng bù không đổi. việc điều khiển có thể thực hiện:
– Bán tự động: dùng contactor ls
– Bằng tay: dùng CB hoặc LBS ( load – break switch )
– Mắc trực tiếp vào tải đóng điện cho mạch bù đồng thời khi đóng tải.
Các tụ điện được đặt:
– Tại vị trí thanh góp cấp nguồn cho nhiều động cơ nhỏ và các phụ tải có tính cảm kháng đối với chúng việc bù từng thiết bị một tỏ ra quá tốn kém.
– Tại vị trí đấu nối của thiết bị tiêu thụ điện có tính cảm ( động cơ điện và máy biến áp ).
– Trong các trường hợp khi tải không thay đổi.

Trở thành người đầu tiên bình luận cho bài viết này!

Email của bạn sẽ không được hiển thị công khai. Các trường bắt buộc được đánh dấu *