ABN803c 630A là sản phẩm được giới chuyên môn đánh giá cao và được ưa chuộng, sử dụng rộng rãi trong các ngành công nghiệp, công trình dân dụng, dự án tàu thuỷ và nhà máy,… Cùng Etinco tìm hiểu lý do vì sao ABN803c 630A lại trở thành thiết bị ngắt mạch tự động được ưa chuộng bậc nhất tại Việt Nam trong bài viết dưới đây.
1. Mô tả sản phẩm ABN803c 630A
ABN803c 630A là một trong những sản phẩm “chủ chốt” đến từ thương hiệu LS, xuất xứ Hàn Quốc. Hiện nay, sản phẩm được ứng dụng rộng rãi trong các dự án, công trình bao gồm:
- Các dự án công nghiệp, dây chuyền sản xuất hiện đại, dây chuyền tự động hoá, các nhà máy công nghiệp,…
- Các trạm điện bao gồm cả hạ thế và cao thế.
- Các công trình xây dựng dân dụng, tòa nhà cao tầng, văn phòng, sân bay, cầu,..
- Các khu phức hợp thương mại hoặc các trung tâm thể thao.

2. Thông số kỹ thuật ABN803c 630A
- Mã sản phẩm: ABN803c 630A
- Tên sản phẩm: MCCB LS 3P 630A 45kA
- Xuất xứ: Hàn Quốc
- Thương hiệu: LS
- Dòng định mức In: 630A
- Số cực: 3P
- Dòng ngắn mạch tại 380V: 45kA
- Frame size: 800AF
- Dải điện áp hoạt động Ue: 690VAC, 500VDC
- Điện áp chịu xung định mức Uimp: 8kV
- Ics = 100% Icu
- Độ bền cơ khí: 2.500 lần đóng cắt, độ bền điện: 500 lần đóng cắt
- Tiêu chuẩn: IEC 60947-2
- Chức năng: Đóng cắt nguồn điện, bảo vệ ngắn mạch, bảo vệ quá tải (Nhiệt – Từ)
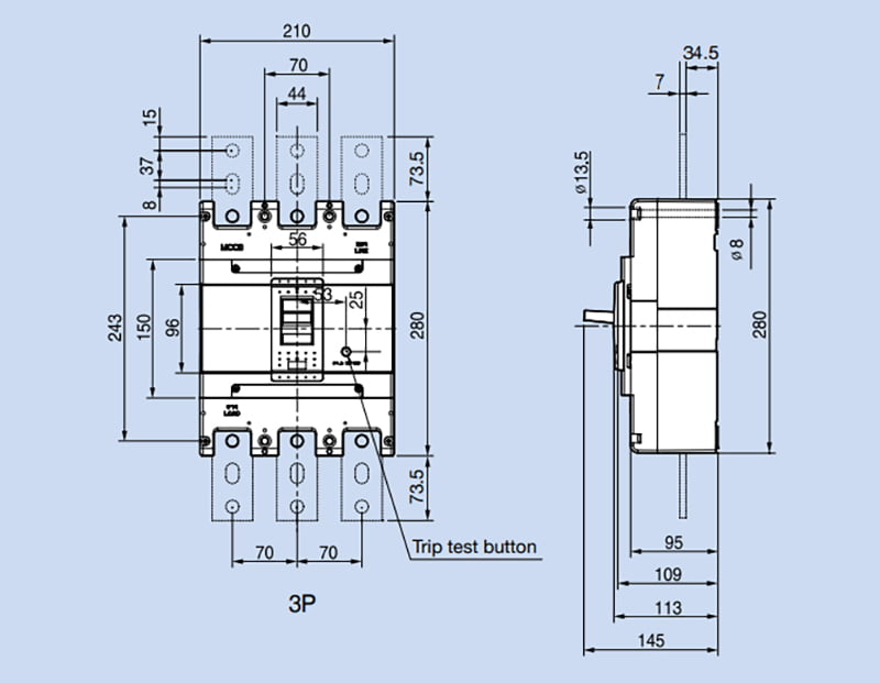
3. Kích thước ABN803c 630A
Kích thước cụ thể được minh hoạ chi tiết trong hình ảnh dưới đây:

4. Nguyên lý hoạt động của ABN803c 630A
ABN803c 630A có nguyên lý hoạt động tương đối đơn giản. Khi ở trạng thái bình thường sau khi đóng mạch điện, tiếp điểm hồ quang sẽ đóng trước, sau đó lần lượt đến tiếp điểm phụ và tiếp điểm chính. Nhờ móc 2 khớp nối cùng móc 3 trong cụm tiếp điểm, lực hút điện từ ở nam châm điện 5 có tác dụng hút phần ứng 4 xuống, đồng thời bật nhả các móc 3 và móc 5, các tiếp điểm được mở ra mỗi khi mạch điện bị quá tải hay ngắn mạch, gây hiện tượng ngắt mạch điện, đảm bảo an toàn khi sử dụng.
5. Ưu điểm vượt trội của ABN803c 630A
Thiết bị ABN803c 630A được đánh giá là có nhiều ưu điểm vượt trội so với các thiết bị khác, cụ thể như sau:
- Thương hiệu uy tín, lâu đời với chất lượng sản phẩm ổn định, giá thành phải chăng.
- Sử dụng công nghệ mới giúp đảm bảo an toàn tuyệt đối khi sử dụng, ngay cả với những dự án xây dựng có điện áp lớn.
- Khả năng chống rò rỉ điện, chống giật, chống ngắn mạch,… phù hợp với môi trường nóng ẩm như Việt Nam, đặc biệt là các lĩnh vực tủ bảng điện, tự động hoá,…
- Được sử dụng trong các nhà máy của công ty, tập đoàn lớn hàng đầu trên thể giới như LG, Samsung, KiA,…
- Thiết kế sang trọng, đảm bảo tính thẩm mỹ hiện đại.
- Thời gian tác động, thích ứng nhanh chóng.

6. Etinco – Đơn vị phân phối ABN803c 630A uy tín, đáng tin cậy
Mặc dù hiện nay, trên thị trường có rất nhiều đơn vị mở bán và phân phối thiết bị ABN803c 630A, tuy nhiên Etinco vẫn luôn được khách hàng “ưu ái” lựa chọn nhờ mức giá hợp lý, chất lượng sản phẩm đảm bảo cùng chế độ hậu mãi, chăm sóc khách hàng chu đáo. Liên hệ đến X qua thông tin dưới đây để mua thiết bị aptomat ABN803c 630A với mức giá ưu đãi nhất:
Thông tin liên hệ:
- Công ty: Công Ty TNHH Etinco
- Địa chỉ: Số 33, BT5 Khu đô thị Pháp Vân, Hoàng Liệt, Hoàng Mai, Hà Nội
- Điện thoại: 024 3668732
- Email: sale@etinco.vn
Tham khảo sản phẩm MCCB LS khác mà bạn muốn tìm tại đây
| MCCB 125a LS | ABN103c | ABN203c | ABN53c |
| ABN203c 150a | ABN403c | ABN803c | MCCB 200a |
| ABN403C 400a | ABN52c | MCCB 500a | MCCB 1600a |
| MCCB 400a LS | ABN103c 75a | ABN53c 20a | ABS1003b |
| MCCB 10a |
Trên đây, Etinco đã cùng quý khách hàng tìm hiểu toàn bộ thông tin chi tiết cho sản phẩm ABN803c 630A ngắt mạch tự động. ABN803c 630A là sự lựa chọn an toàn cho các công trình, dự án nhờ tính năng vượt trội của sản phẩm. Nếu quý khách hàng đang cần tìm các sản phẩm thiết bị điện cho khu công nghiệp, công trình, dự án, hãy liên hệ đến Etinco ngay để trang bị được những sản phẩm chất lượng với mức giá phải chăng nhất!